BEAU

Zubová čerpadla Bezares řady BEA(U) 11–17ccm představují kompaktní a tichou variantu určenou pro efektivní funkčnost hydraulických systémů. Díky hliníkovému tělu nabízí nízkou hmotnost a vysokou odolnost. Boční a zadní připojovací porty usnadňují instalaci i v omezených prostorových podmínkách. Čerpadla BEA(U) jsou dostupná v obousměrné rotaci ve variantách ISO a UNI.
Ideální volba pro menší aplikace, kde jsou rozměry, výkon a tichý provoz klíčové.

Kontaktujte našeho školeného specialistu

Náš specialista s Vámi rád probere Vaše potřeby.
+420 778 998

Technické specifikace

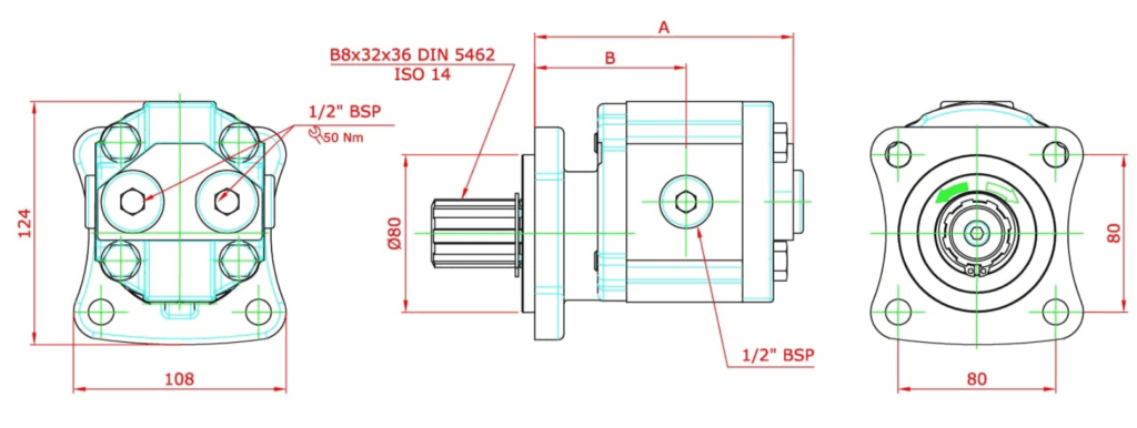
MODELBEA 11BEA 17BEU 11BEU 17
GEOMETRICKÝ OBJEM (cm3)10,61610,616
HŘÍDEL (mm)8x32x36 (DIN 5462)8x32x36 (DIN 5462)6x21x25 (ISO 14)6x21x25 (ISO 14)
PŘÍRUBA rozeč děr (mm)80x80 (ISO 7653)80x80 (ISO 7653)3 díry (UNI)3 díry (UNI)
MAXIMÁLNÍ PRŮBĚŽNÝ TLAK (P1) (bar)275250275250
MAXIMÁLNÍ ŠPIČKOVÝ TLAK (P3) (bar)300275300275
MAXIMÁLNÍ PRŮBĚŽNÉ OTÁČKY (ot/min)2000200020002000
MAXIMÁLNÍ DOČASNÉ OTÁČKY (ot/min)2200220022002200
SACÍ PŘIPOJENÍG 1/2" G 3/4" G 1/2" G 3/4"
TLAKOVÉ PŘIPOJENÍG 1/2" G 1/2" G 1/2" G 1/2"
HMOTNOST (kg)4,354,824,354,82

Příslušenství k čerpadlům

Pro tento produkt nabízíme vhodné příslušenství, které usnadní montáž, zlepší funkčnost nebo rozšíří možnosti použití.

Podívejte se na doporučené doplňky níže – vše je navrženo s ohledem na spolehlivost a kompatibilitu.
V případě dotazů nebo potřeby upřesnění se neváhejte obrátit na našeho technika.

Rychlá poptávka

Zůstaňte v obraze!

Nechte si zasílat nejnovější informace, tipy a akční nabídky přímo na váš e-mail. S naším newsletterem už vám nic neunikne.