BEZARES FRV

Hydraulické pístové čerpadlo Bezares FRV s regulací průtoku a tlaku (Load Sensing) nabízí tři volitelné objemy – 95, 110 nebo 130 cm³/ot. Umožňuje snadnou změnu směru rotace bez nutnosti interního zásahu do čerpadla. Díky kompaktní konstrukci je vhodné pro přímou montáž na pomocný pohon (PTO) v zemědělských, lesnických, manipulačních nebo komunálních strojích.
Hlavní výhody:
• Tři velikosti geometrického objemu: 95, 110 a 130 cm³
• Load Sensing – čerpadlo dodává jen tolik oleje, kolik systém potřebuje
• Snadná změna směru otáčení
• Kompaktní rozměry pro přímou montáž na PTO
• Vysoký pracovní tlak až 420 bar

Kontaktujte našeho školeného specialistu

Náš specialista s Vámi rád probere Vaše potřeby.
+420 778 998

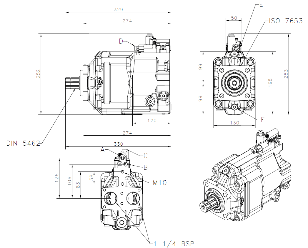
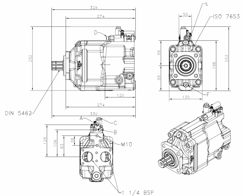
Technické specifikace

MODEL FRV
GEOMETRICKÝ OBJEM (cm3)95, 110, 130
HŘÍDEL (mm)8x32x36 (DIN 5462)
PŘÍRUBA rozeč děr (mm)80x80 (ISO 7653)
MAXIMÁLNÍ PRŮBĚŽNÝ TLAK (P1) (bar)360
MAXIMÁLNÍ ŠPIČKOVÝ TLAK (P3) (bar)420
MAXIMÁLNÍ PRŮBĚŽNÉ OTÁČKY (ot/min)3000
MAXIMÁLNÍ OTÁČKY PŘI MAXIMÁLNÍM VÝTLAKU (ot/min)1800
SACÍ/TLAKOVÉ PŘIPOJENÍG 1-1/4" (5/4")
MAXIMÁLNÍ TEPLOTA OLEJE (°C) 80
HMOTNOST (kg)27
PoznámkaOmezovač průtoku: 95, 110 a 130 (cm3/ot)
OBJEDNACÍ KÓD5043406-1

Příslušenství k čerpadlům

Pro tento produkt nabízíme vhodné příslušenství, které usnadní montáž, zlepší funkčnost nebo rozšíří možnosti použití.

Podívejte se na doporučené doplňky níže – vše je navrženo s ohledem na spolehlivost a kompatibilitu.
V případě dotazů nebo potřeby upřesnění se neváhejte obrátit na našeho technika.

Rychlá poptávka

Zůstaňte v obraze!

Nechte si zasílat nejnovější informace, tipy a akční nabídky přímo na váš e-mail. S naším newsletterem už vám nic neunikne.