Úvod / Podkládací desky / Podložka FSBR

Podložka FSBR

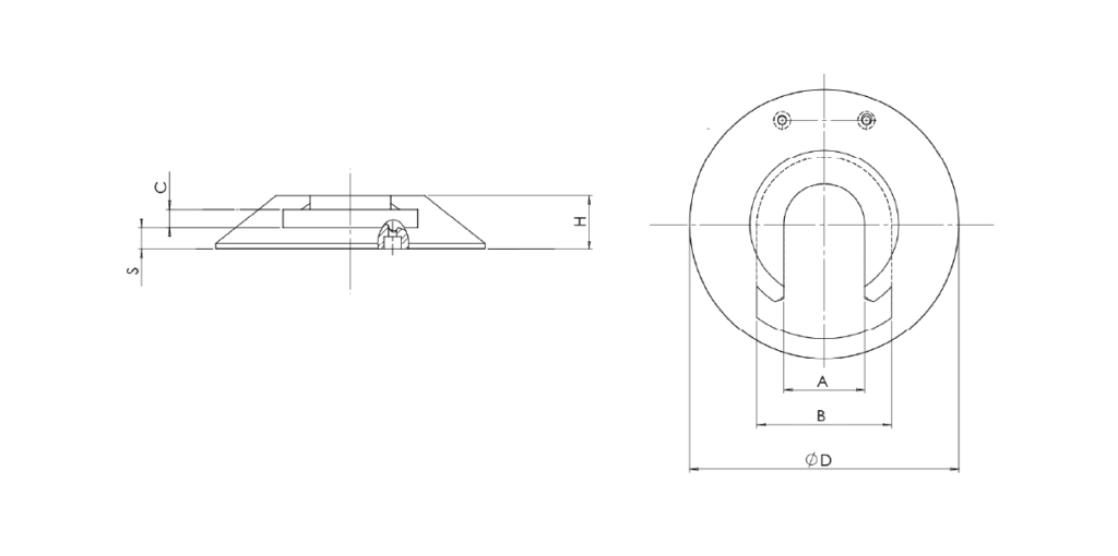
Konická podložka kruhového průřezu je vyrobena z vysoce hustotního polyetylenu PE HD 1000, její profil a drážka umožňuje nasunutí přímo na talíř stabilizační podpěry, a tím i částečnou fixaci na podpěře.

Nejběžnější použití je pod stabilizační podpěry HYDRAULICKÝCH NAKLÁDACÍCH JEŘÁBŮ, MOBILNÍCH JEŘÁBŮ, AUTOMOBILY S BETONOVOU PUMPOU atd.

Kontaktujte našeho školeného specialistu

Náš specialista s Vámi rád probere Vaše potřeby.
+420 778 998

Technické specifikace

Konická podložka
ModelDSCABHHmotnostZatíženíJeřáb
mmmmmmmmmmmmkgtunatuna/m
FSBR 30×16 H 8300303060160802,61420
FSBR 30×20 H 83003030120200802,31420
FSBR 40×20 H 84003030120200804,22230
FSBR 40×21 H 8400303090210805,32230
FSBR 50×25 H 85003030120255808,82950
FSBR 50×21 H 85003030110210809,42950
FSBR 60×21 H 860030301102108014,83685

Zůstaňte v obraze!

Nechte si zasílat nejnovější informace, tipy a akční nabídky přímo na váš e-mail. S naším newsletterem už vám nic neunikne.